Dans le monde tout comme en Suisse les régimes (fréquences) de précipitations sont en changement.
Nous observons en Suisse depuis ces dernières années des périodes (estivales) terriblement sèches avec des conséquences désastreuses sur la végétation accompagnée de restrictions communales limitant les possibilités d’arrosage. Puis des périodes de fortes pluies comme entre mi-octobre et mi-novembre 2023 lors desquels plus de 450 litres, voir plus selon les régions, sont tombés en un mois (moyenne annuelle sur le plateau suisse environ 1500 litres).
Une cuve enterrée…
Sur la moyenne des précipitations annuelles, la quantité reste sensiblement la même mais la pluie ne tombe pas lorsque nous en avons besoin notamment dans nos jardins.
Des réflexions de base concernant l’aménagement ou la réfection future des jardins seront à prendre en compte afin d’adapter la végétation à ces cycles.

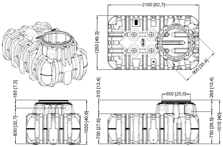
Cuves extra plates, légères et plus simples à mettre en place
Cependant il y a également la possibilité de récupérer cette eau de pluie afin de l’avoir à disposition lorsqu’il y en a besoin et ce même pour des utilisations bien plus variées que le simple arrosage de nos jardins (nettoyages, remise à niveau d’étangs, rafraîchissement, raccordement aux sanitaires de votre logement, etc…).
Utiliser l’eau tombée du ciel et stockée pour ces usages au détriment du gaspillage de l’eau potable parait être une solution plus que pertinente au vu de l’évolution du contexte général sur notre planète.
Étapes pour l’installation d’une cuve « plate »
Tout comme il n’y a pas de fumée sans feu, il n’y a pas d’eau sans pluie. Et certaines solutions de stockage de l’eau nécessitent des installations relativement fastidieuses comme les citernes enterrées (cylindriques, cubiques en PE ou en Béton).
Elles engendrent des terrassements conséquents mais permettent de stocker de grandes quantités d’eau. Il existe également des cuves à enterrer dites « extra plates », légères et plus simples à mettre en place, leur capacité peut aller jusqu’à plusieurs dizaines de milliers de litres en une cuve et elles sont également accouplables.
Il faudra cependant observer différents facteurs sur place afin de s’assurer de la faisabilité : nature du sol, accès, possibilité de raccordement aux descentes de cheneaux, raccordement du trop plein, ou création d’un puit perdu drainant pour ne citer que ces paramètres.
Un prix… dégressif
Pour une installation professionnelle et automatisée (pompe, robinets, etc…) il faut compter environ 2.- le litre (en situation simple : accès, nature du sol à creuser, etc…). Cela peut paraître onéreux pour une cuve de 10’000 litres, mais quel est le prix de l’eau? Que vaudra l’eau dans 10, 20 ou 30 ans? Et que vaut la réfection d’un jardin, de végétaux ayant brûlé par manque d’eau?
Lors de sa première utilisation votre litre utilisé vous coûtera 2.-, lors de la deuxième, plus que 1.- puis 0.5.- etc… à chaque remplissage votre eau vous coutera moins cher ce qui rend la pose de gosses cuves pertinente étant donné les cycles de précipitations espacés mais intenses qui nous attendent probablement.
Des cuves différentes
Il est également possible d’opter pour une cuve hors sol, moins chère cependant plus encombrante, exposée aux UV, avec moins de contenance et moins fonctionnelle (automatisation).
Un étang avec une partie destinée à la récupération d’eau de pluie (deuxième bassin) pourrait s’avérer être une solution intéressante car favorisant également la biodiversité et amenant un plus esthétique à votre jardin.
Vous souhaitez faire de votre jardin votre lieu de bien-être idéal ?
Demandez un devis gratuit ou parlons ensemble de votre projet.